Description
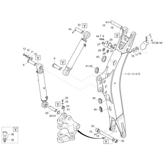
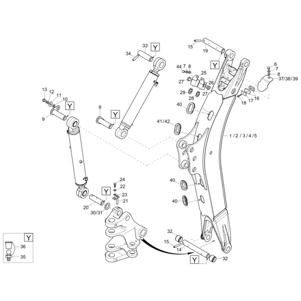
The Lift Arm Assembly for the Wacker 803 Mini Excavator is designed to ensure optimal performance and durability. This assembly includes key components such as hydraulic cylinders, pins, and bushings, which are crucial for the efficient operation of the excavator's lifting mechanism. Genuine Wacker Neuson parts ensure compatibility and reliability, supporting various excavation tasks.
Reviews
Add a review
Write Your Own Review
Ask a Question
Customer Questions

