Description
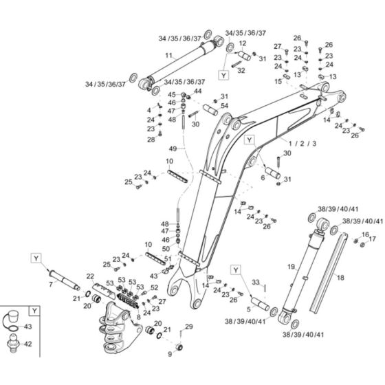
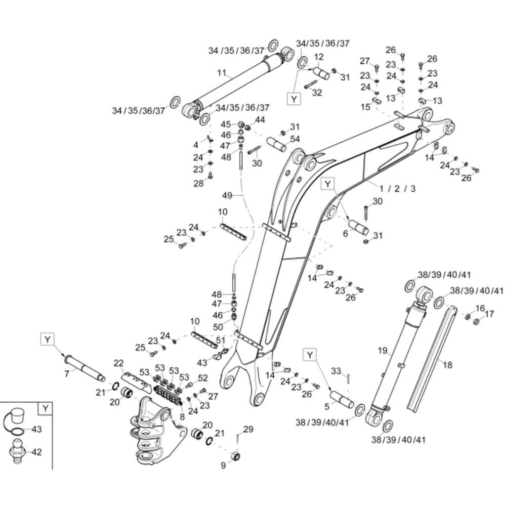
The Lift Arm Assembly for the Wacker 9503 Excavator is designed to ensure optimal performance and durability. This assembly includes key components such as hydraulic cylinders, pins, and bushings, which are essential for the smooth operation of the excavator's lifting mechanism. Genuine Wacker Neuson parts guarantee compatibility and reliability, maintaining the machine's efficiency and safety.
Reviews
Add a review
Write Your Own Review
Ask a Question
Customer Questions

