Description
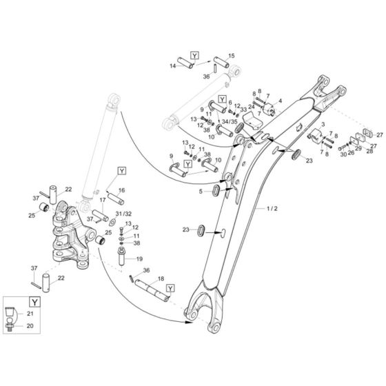
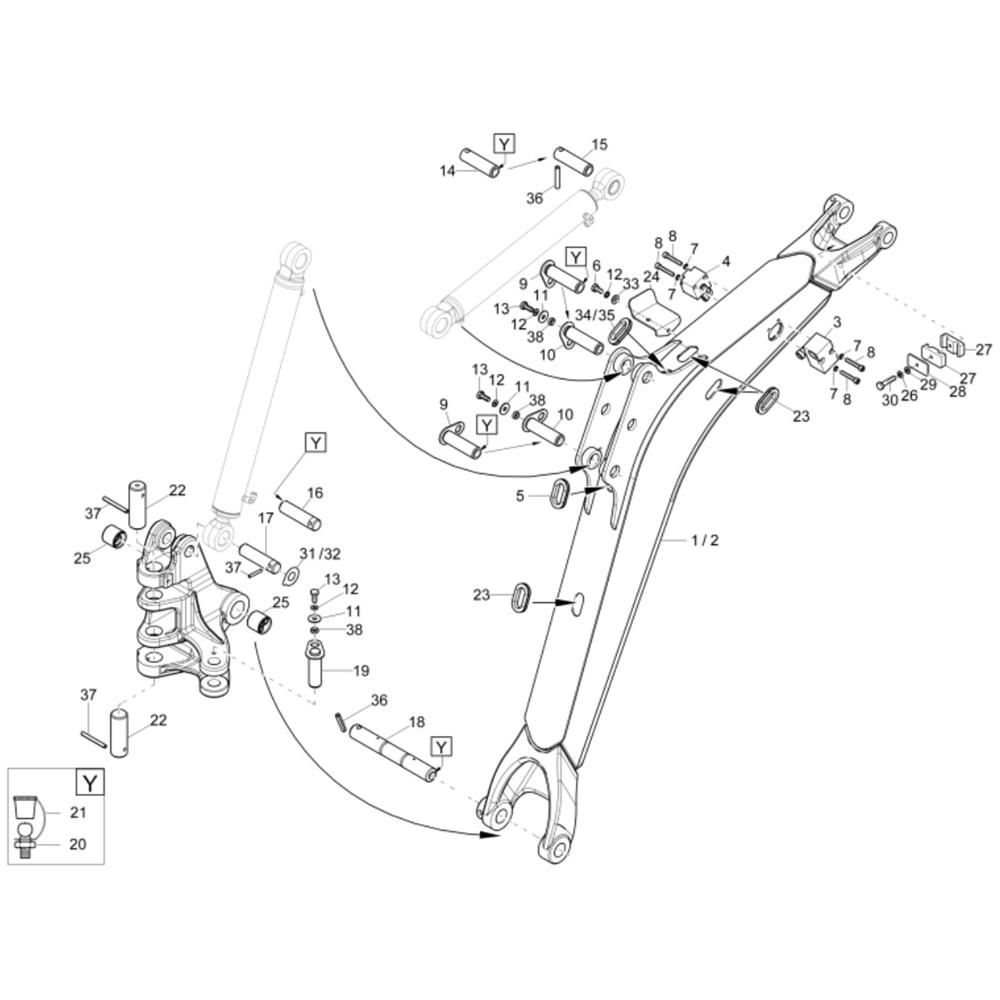
The Lift Arm Assembly for the Wacker ET16 Mini Excavator is essential for efficient operation and handling. This assembly includes key components such as hydraulic cylinders, pins, and bushings, which ensure smooth movement and stability. Designed for durability, it supports various excavation tasks, enhancing the machine's performance and reliability.
Reviews
Add a review
Write Your Own Review
Ask a Question
Customer Questions

