Description
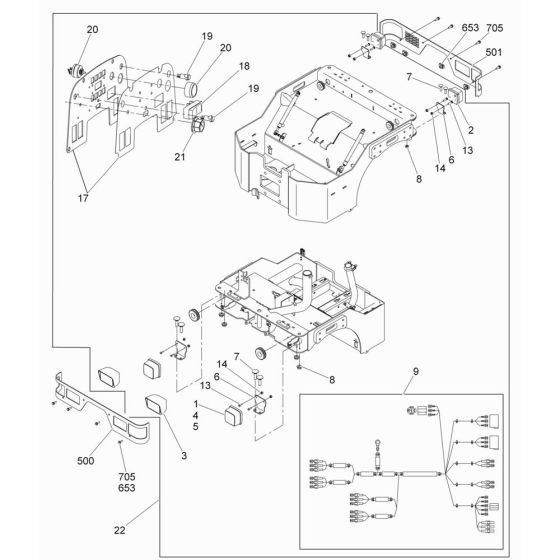
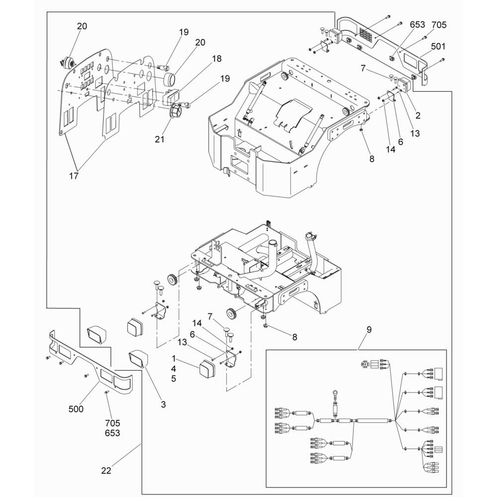
The Light Assembly for the Wacker RD16 Roller is designed to ensure optimal visibility and safety during operation. This genuine Wacker Neuson component is essential for maintaining the roller's functionality in low-light conditions. The assembly includes key parts such as bulbs, lenses, and wiring, all tailored to fit the RD16 model perfectly.
Reviews
Add a review
Write Your Own Review
Ask a Question
Customer Questions

