Description
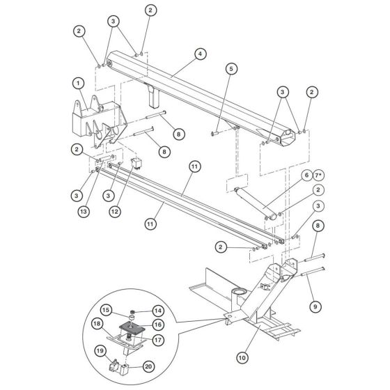
The Lower Boom Assembly for Niftylift 170 (TM50) Access Platforms is a crucial component designed to ensure stability and functionality. This genuine Niftylift part includes key elements such as hydraulic cylinders, pivot points, and structural supports. It plays a vital role in the safe and efficient operation of the platform, providing reliable performance in various working conditions.
Reviews
Add a review
Write Your Own Review
Ask a Question
Customer Questions

