Description
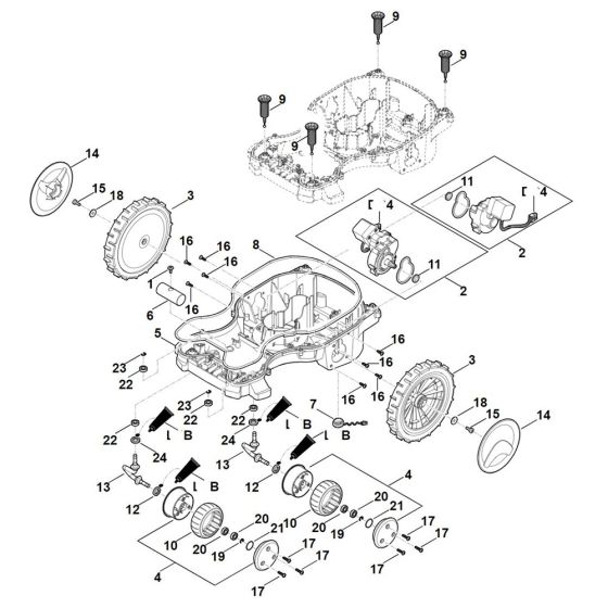
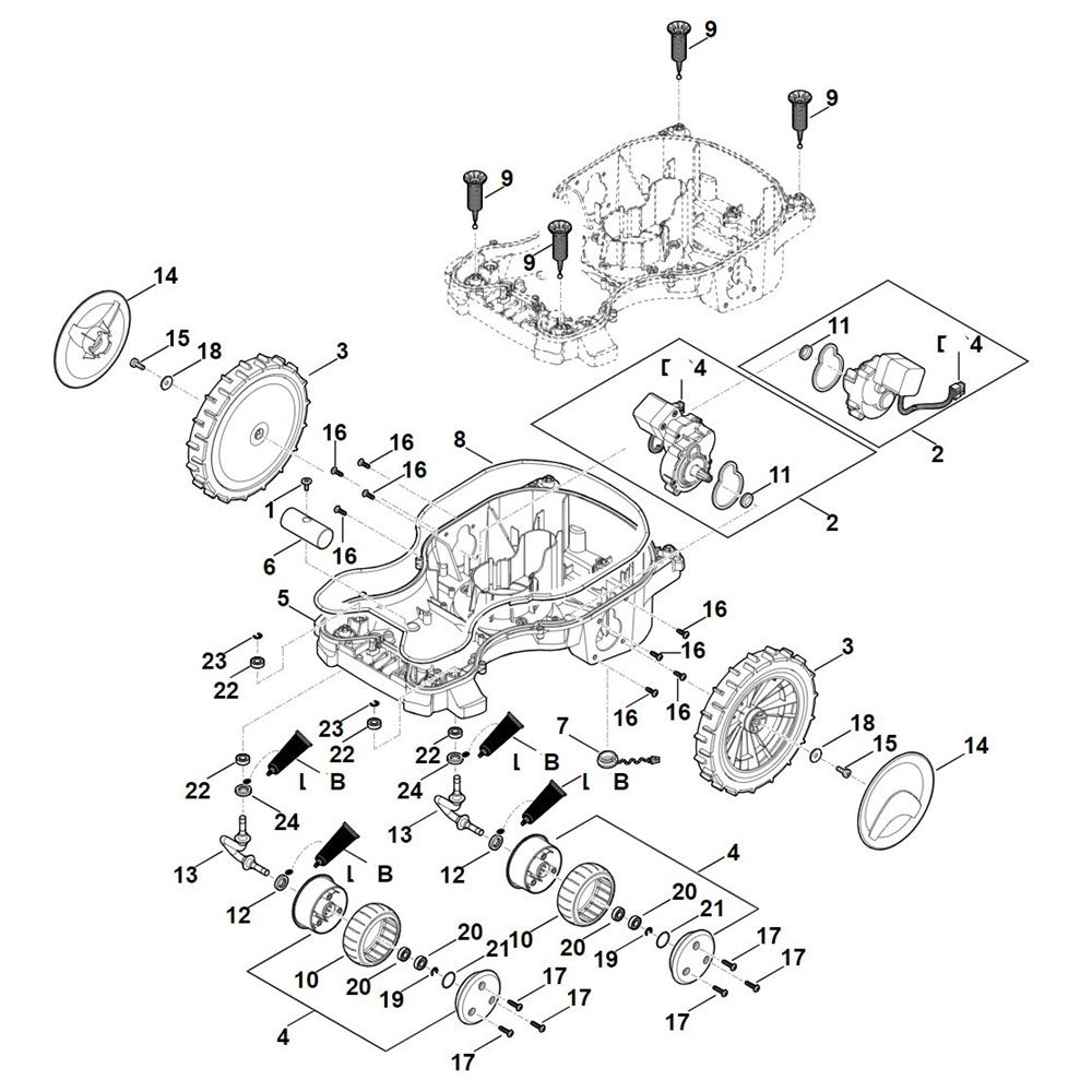
The Lower Housing Chassis for the Stihl RMI 422.1 Robotic Mower is a crucial component that supports the mower's structure and protects internal parts. Designed to fit seamlessly with the Stihl RMI 422.1 model, this genuine part ensures durability and optimal performance. It provides a stable base for the mower's operation, safeguarding against impacts and environmental elements.
Reviews
Add a review
Write Your Own Review
Ask a Question
Customer Questions

