Description
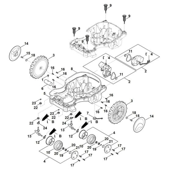
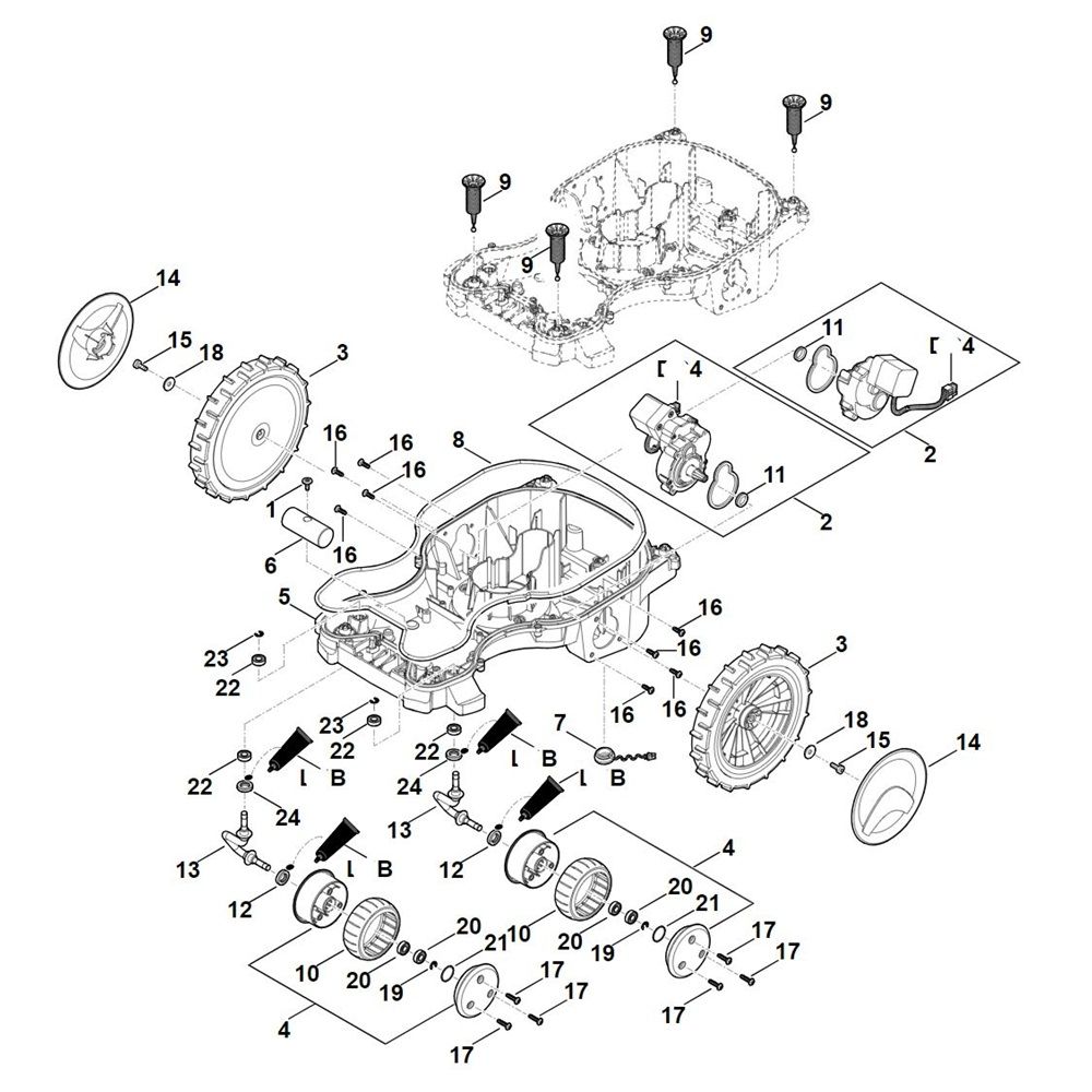
The Lower Housing, Chassis for the Stihl RMI 422.2 PC Robotic Mower is a crucial component designed to support and protect the mower's internal mechanisms. This genuine Stihl part ensures the mower operates smoothly and efficiently, providing a stable base for the cutting system and electronics. Available in various configurations to suit different maintenance needs.
Reviews
Add a review
Write Your Own Review
Ask a Question
Customer Questions

