Description
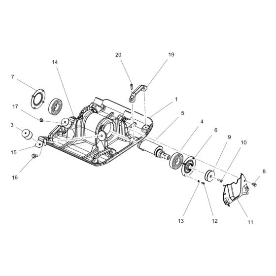
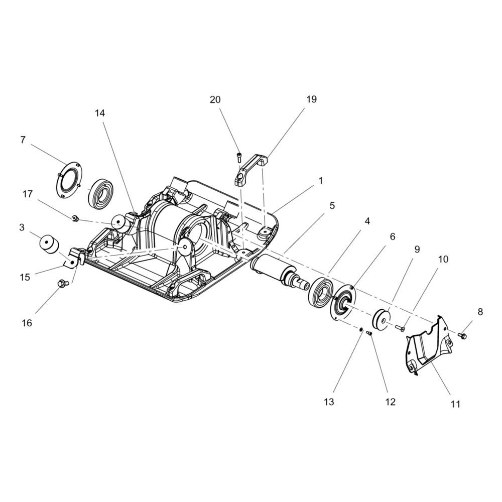
The Lower Mass Assembly for the Wacker VP80G Compactor is crucial for effective operation. It includes components that ensure optimal performance and durability. Designed for the Wacker Neuson Forward Plate Compactor, this assembly helps in maintaining the machine's balance and efficiency. Typical parts may include springs, weights, and fasteners, all contributing to the compactor's reliable function.
Reviews
Add a review
Write Your Own Review
Ask a Question
Customer Questions

