Description
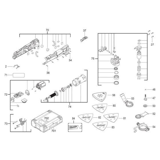
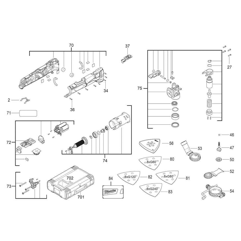
The Complete Assembly for the Milwaukee M12FMT Multi-Tool includes essential components to ensure optimal performance and durability. Designed for maintenance and repair, this assembly helps maintain the tool's efficiency and longevity. Typical components include blades, attachments, and fasteners, all genuine Milwaukee parts.
Reviews
Add a review
Write Your Own Review
Ask a Question
Customer Questions

