Description
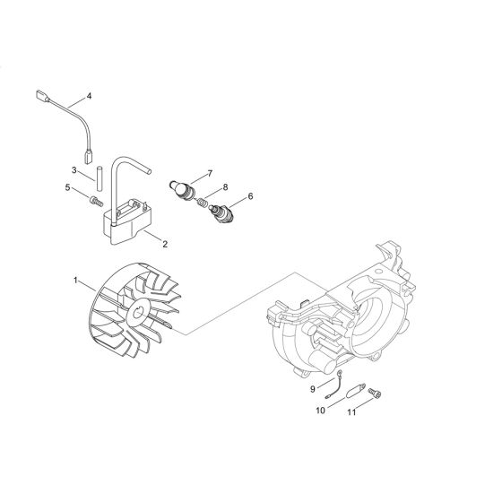
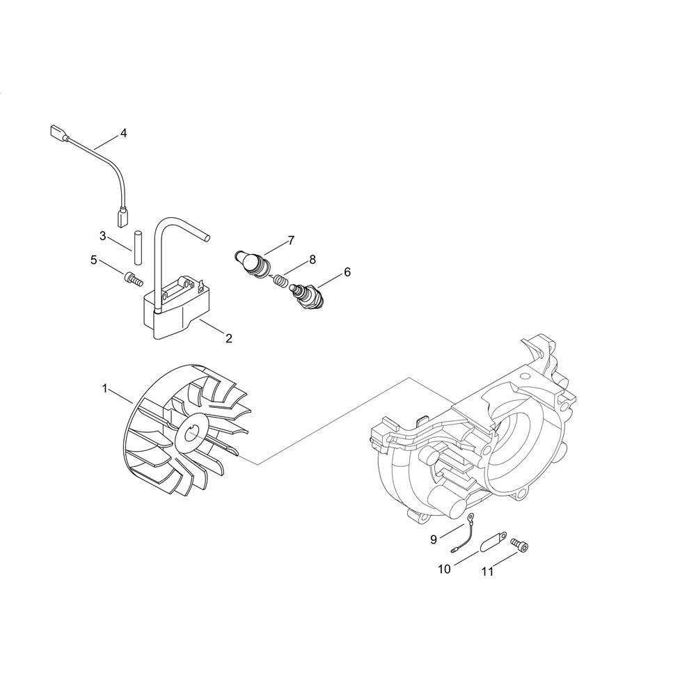
The magneto for the ECHO SRM-236TES/L Brushcutter is crucial for generating the electrical current needed to power the ignition system. This component ensures efficient engine start-up and operation. Available in genuine and non-genuine parts, it is designed to fit seamlessly with your brushcutter, providing reliable performance and durability.
Reviews
Add a review
Write Your Own Review
Ask a Question
Customer Questions

