Description
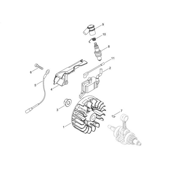
The magneto for the ECHO SRM-3611T/L Brushcutter is essential for generating the electrical current needed to power the ignition system. It ensures efficient engine start-up and smooth operation. Available in genuine and non-genuine parts, this component is crucial for maintaining the brushcutter's performance and reliability.
Reviews
Add a review
Write Your Own Review
Ask a Question
Customer Questions

