Description
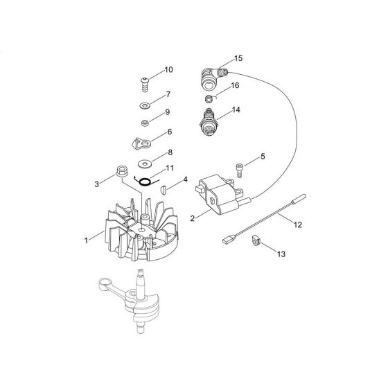
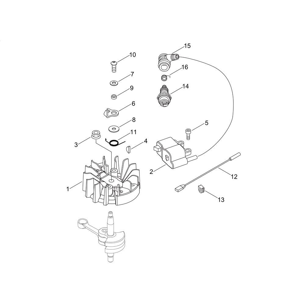
The magneto for the Shindaiwa DH185ST Hedgetrimmer is a crucial component that ensures efficient ignition and reliable performance. Designed specifically for this model, it helps maintain optimal engine function by generating the necessary electrical current. This genuine Shindaiwa part is essential for routine maintenance and repair, ensuring the hedgetrimmer operates smoothly and effectively.
Reviews
Add a review
Write Your Own Review
Ask a Question
Customer Questions

