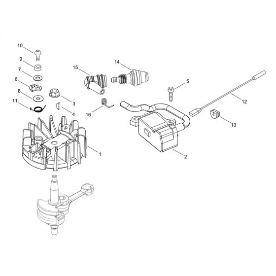
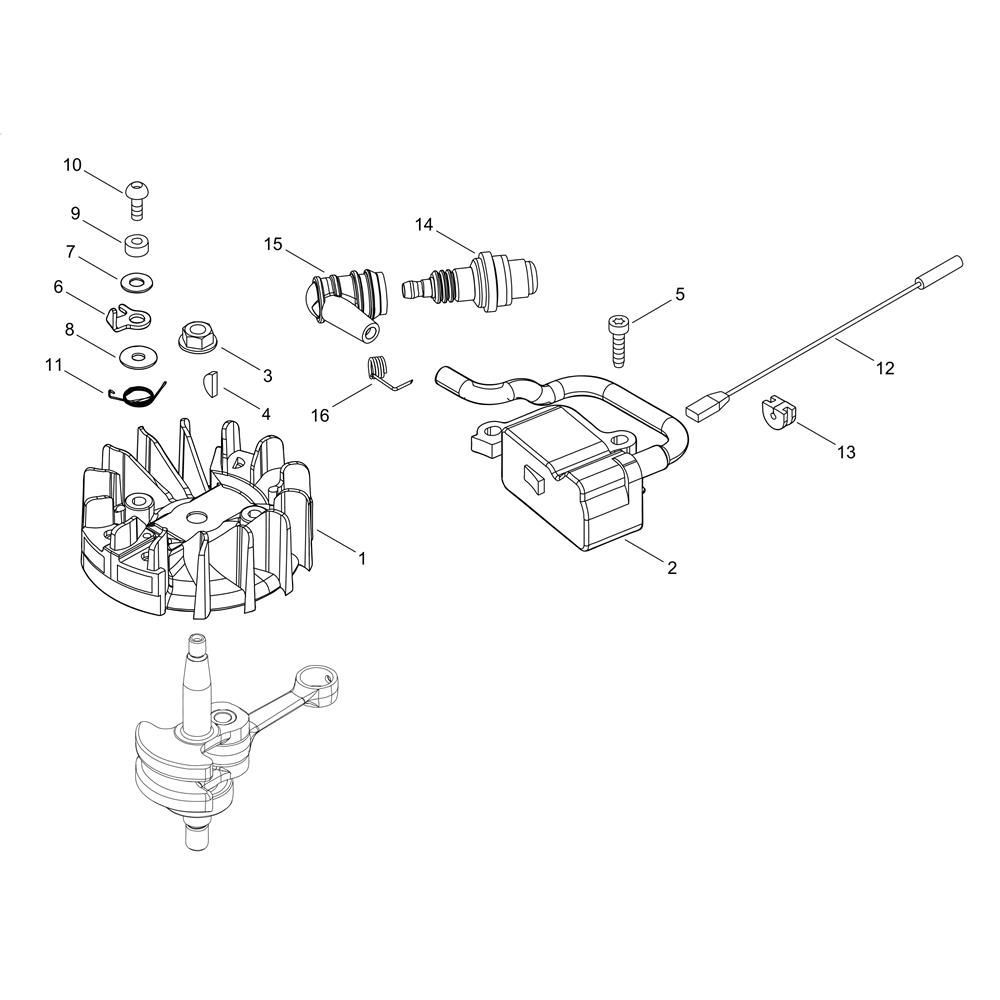
Description
The magneto for the Shindaiwa HT320S Hedgetrimmer is a crucial component that ensures efficient ignition and reliable performance. Designed specifically for the HT320S model, it helps maintain optimal engine function by generating the necessary electrical current. This genuine Shindaiwa part is essential for regular maintenance and repair, ensuring your hedgetrimmer operates smoothly.
Reviews
Add a review
Write Your Own Review
Ask a Question
Customer Questions

