Description
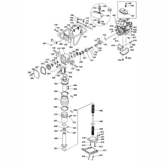
The Main Assembly for the Altrad Belle RT74 Trench Rammer is crucial for maintaining the machine's performance. It includes components like gaskets, springs, and levers, ensuring efficient operation. Designed for durability, these parts help in reducing wear and tear, extending the lifespan of the rammer. Suitable for routine maintenance and repairs, these components are available in both genuine and non-genuine options.
Reviews
Add a review
Write Your Own Review
Ask a Question
Customer Questions

