Description
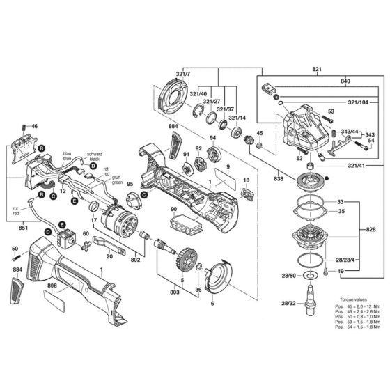
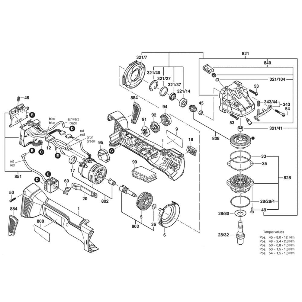
The Main Assembly for Bosch GWS 18V-10 C Angle Grinders includes key components necessary for optimal tool performance and longevity. This assembly ensures efficient operation by integrating parts such as gears, bearings, and housings. Designed for routine maintenance and repair, it supports the grinder's functionality and durability. Genuine Bosch parts guarantee compatibility and reliability.
Reviews
Add a review
Write Your Own Review
Ask a Question
Customer Questions

