Description
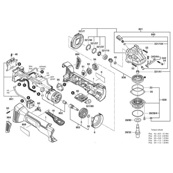
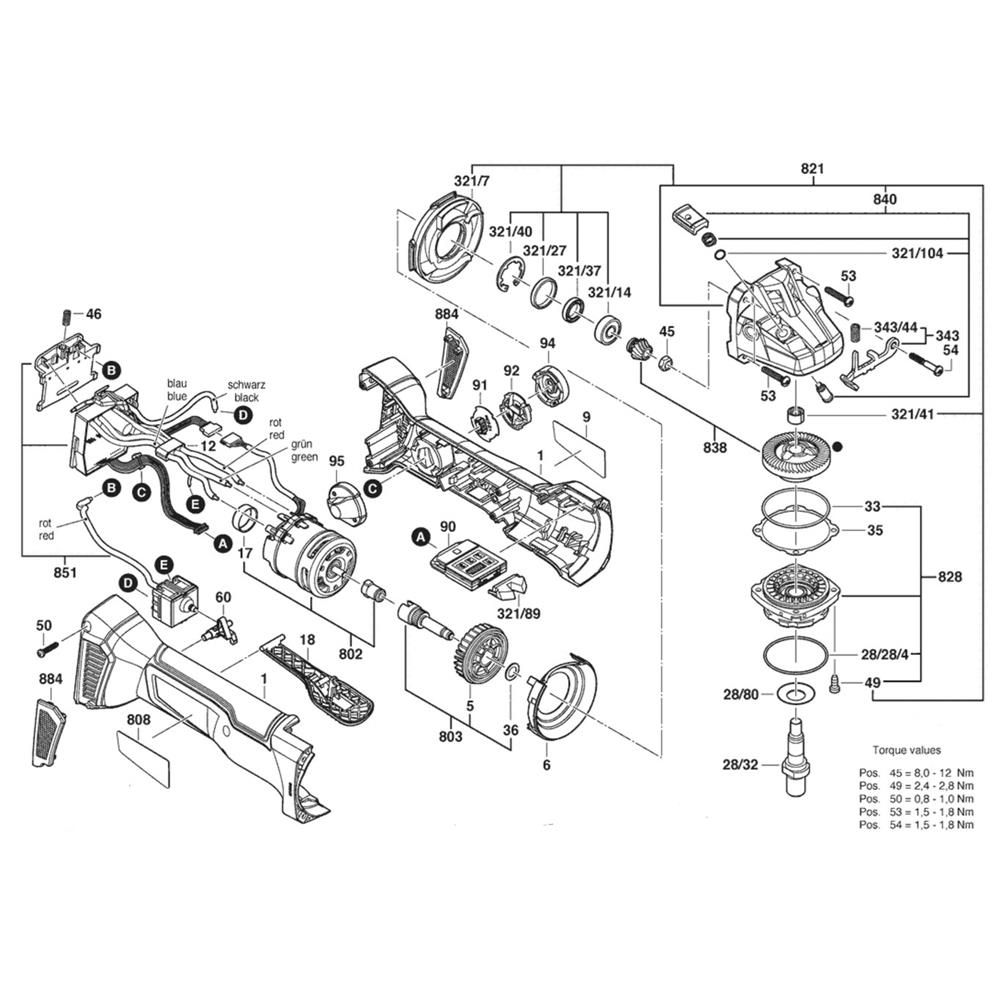
The Main Assembly for Bosch GWS 18V-10 PSC Angle Grinders includes essential components to ensure optimal performance and longevity. This assembly is crucial for maintaining the grinder's efficiency and includes parts such as gears, bearings, and housings. Designed for routine maintenance and repair, it helps in reducing wear and tear, ensuring smooth operation.
Reviews
Add a review
Write Your Own Review
Ask a Question
Customer Questions

