Description
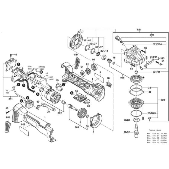
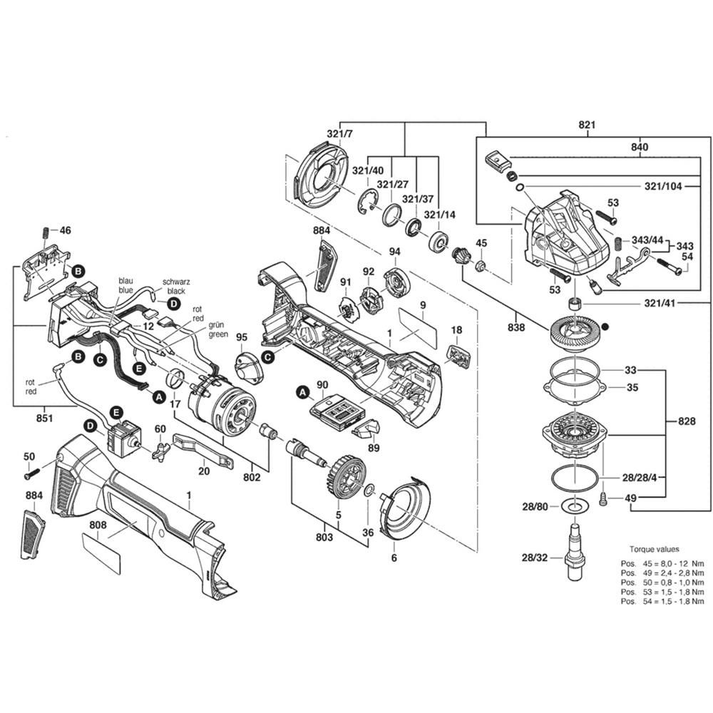
The Main Assembly for Bosch GWS 18V-10 SC Angle Grinders includes essential components to ensure optimal performance and longevity. Designed for routine maintenance and repair, this assembly helps maintain the grinder's efficiency and safety. Components such as gears, bearings, and housings are available, ensuring compatibility and reliability for your Bosch tool.
Reviews
Add a review
Write Your Own Review
Ask a Question
Customer Questions

