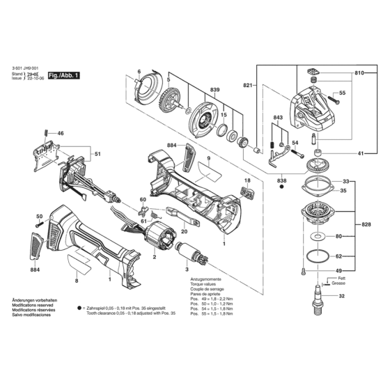
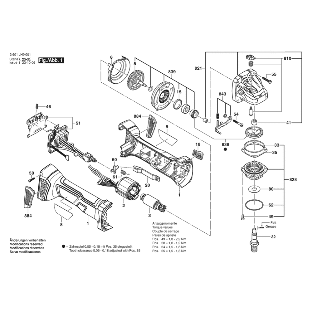
Description
The Main Assembly for Bosch GWS 18V-7 Angle Grinders includes essential components to ensure optimal performance and longevity. This genuine Bosch part is designed to maintain the grinder's efficiency and reliability. Typical components in the assembly may include gears, bearings, and housings, which are crucial for smooth operation and durability.
Reviews
Add a review
Write Your Own Review
Ask a Question
Customer Questions

