Description
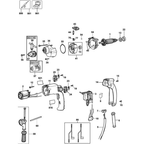
The Main Assembly for the DeWalt D21710 Type 6 Percussion Drill includes key components essential for its operation and longevity. This genuine DeWalt part ensures optimal performance by integrating elements such as gears, bearings, and housings. Designed for precision and durability, it supports efficient drilling tasks across various materials.
Reviews
Add a review
Write Your Own Review
Ask a Question
Customer Questions

