Description
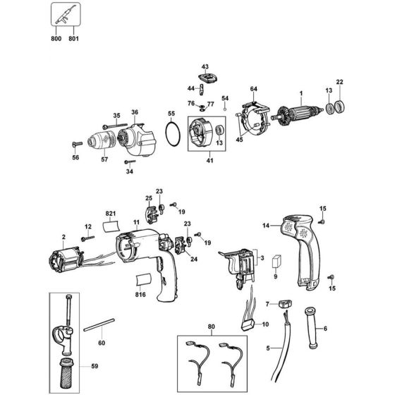
The Main Assembly for the DeWalt D21717 Type 2 Percussion Drill includes key components essential for optimal performance. This genuine DeWalt part ensures the drill operates efficiently, providing the necessary power and precision for various tasks. Components such as gears, bearings, and housings are included, designed to withstand rigorous use and maintain the drill's reliability.
Reviews
Add a review
Write Your Own Review
Ask a Question
Customer Questions

