Description
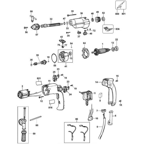
The Main Assembly for the DeWalt D21720 Type 1 Percussion Drill includes key components to ensure optimal performance and durability. This genuine DeWalt part is essential for maintaining the drill's functionality, providing reliable power and precision. Components may include gears, bearings, and housings, designed to withstand rigorous use.
Reviews
Add a review
Write Your Own Review
Ask a Question
Customer Questions

