Description
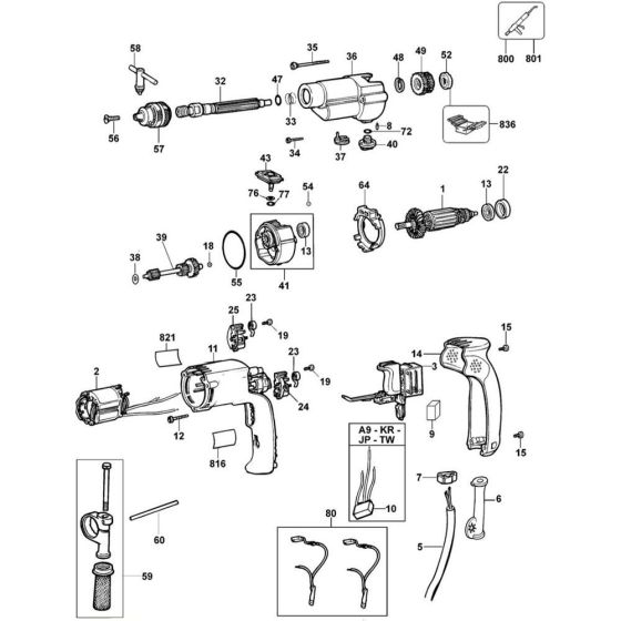
The Main Assembly for the DeWalt D21720 Type 3 Percussion Drill includes essential components to ensure optimal performance and durability. Designed for precise drilling tasks, this assembly helps maintain the drill's efficiency and longevity. Components may include gears, bearings, and housings, all genuine DeWalt parts.
Reviews
Add a review
Write Your Own Review
Ask a Question
Customer Questions

