Description
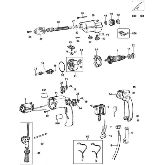
The Main Assembly for the DeWalt D21721 Type 2 Percussion Drill is a genuine DeWalt part designed to ensure optimal performance and longevity. This assembly includes key components necessary for the drill's operation, such as gears, bearings, and housings. Regular maintenance with these parts helps maintain the drill's efficiency and reliability during heavy-duty tasks.
Reviews
Add a review
Write Your Own Review
Ask a Question
Customer Questions

