Description
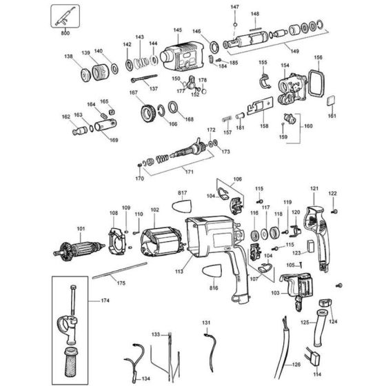
The Main Assembly for the DeWalt D25003K Type 2 Rotary Hammer includes key components essential for the tool's operation and longevity. This assembly ensures optimal performance by integrating parts like gears, bearings, and seals. Suitable for both genuine and non-genuine DeWalt parts, it supports efficient drilling and chiselling tasks.
Reviews
Add a review
Write Your Own Review
Ask a Question
Customer Questions

