Description
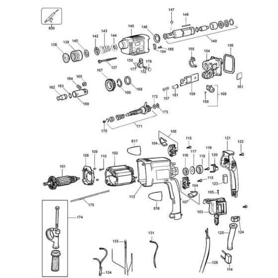
The Main Assembly for the DeWalt D25003K Type 3 Rotary Hammer includes crucial components to ensure optimal performance and longevity. Designed for efficient drilling and chiselling, this assembly helps maintain the tool's functionality. Available parts may include gears, bearings, seals, and switches, catering to both genuine and non-genuine DeWalt options.
Reviews
Add a review
Write Your Own Review
Ask a Question
Customer Questions

