Description
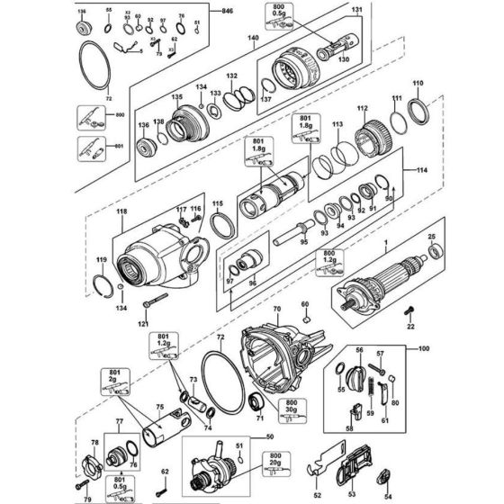
The Main Assembly for the DeWalt D25114K Type 1 Rotary Hammer includes essential components to ensure optimal performance and longevity. Designed for both genuine and non-genuine parts, this assembly supports efficient drilling and chiselling tasks. Key components may include gears, seals, and housings, all contributing to the tool's reliability and effectiveness.
Reviews
Add a review
Write Your Own Review
Ask a Question
Customer Questions

