Description
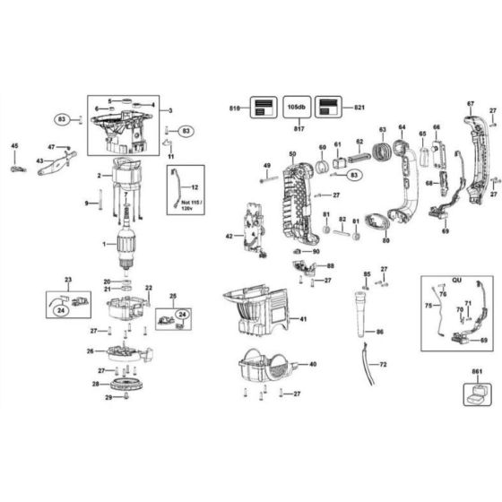
The Main Assembly for the DeWalt D25602K Type 1 Mid Size Hammer includes essential components to ensure optimal performance and durability. This assembly is crucial for maintaining the hammer's efficiency and includes parts such as pistons, seals, and springs. Both genuine and non-genuine DeWalt parts are available to suit various repair needs.
Reviews
Add a review
Write Your Own Review
Ask a Question
Customer Questions

