Description
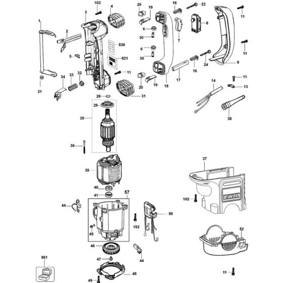
The Main Assembly for the DeWalt D25840K Type 1 Chipping Hammer includes key components essential for optimal operation. This genuine DeWalt part ensures the tool's reliability and efficiency. Typical components may include pistons, seals, and springs, which contribute to the hammer's performance and durability.
Reviews
Add a review
Write Your Own Review
Ask a Question
Customer Questions

