Description
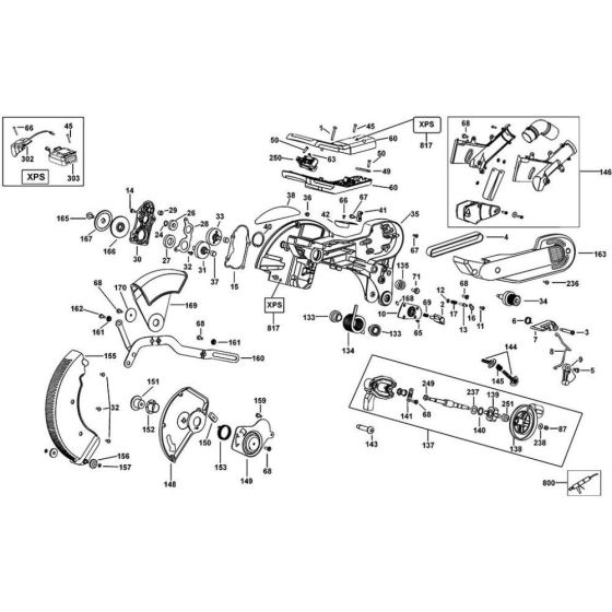
The Main Assembly for the DeWalt D27105 Type 4 Combination Saw includes key components essential for optimal operation. This genuine DeWalt part ensures precise cutting and reliable performance. Typical components may include gears, belts, and switches, all designed to maintain the saw's functionality and extend its lifespan.
Reviews
Add a review
Write Your Own Review
Ask a Question
Customer Questions

