Description
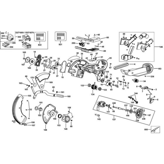
The Main Assembly for the DeWalt D27107 Type 3 Combination Saw includes key components essential for optimal operation and longevity. This genuine DeWalt part ensures precise cutting and reliable performance. Typical components in this assembly may include gears, levers, and fasteners, all designed to maintain the saw's functionality and safety.
Reviews
Add a review
Write Your Own Review
Ask a Question
Customer Questions

