Description
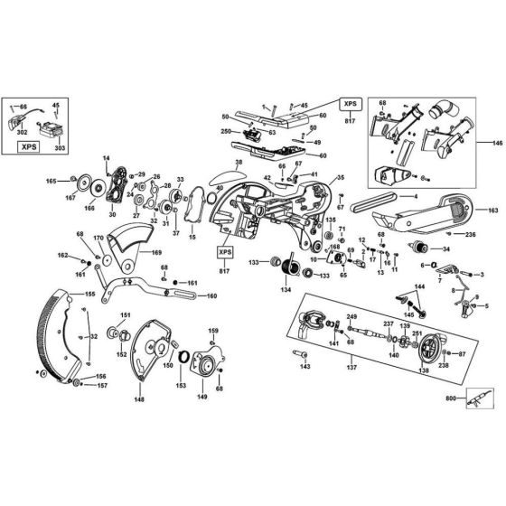
The Main Assembly for the DeWalt D27107 Type 5 Combination Saw includes crucial components to ensure optimal performance and longevity. This genuine DeWalt part is designed for precise cutting tasks, providing stability and accuracy. Key components may include the motor housing, blade guard, and adjustment levers, all essential for maintaining the saw's functionality.
Reviews
Add a review
Write Your Own Review
Ask a Question
Customer Questions

