Description
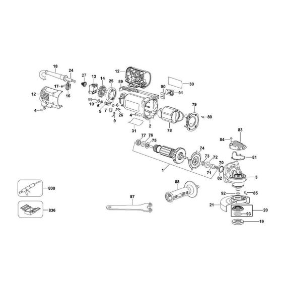
The Main Assembly for DeWalt D28110 Type 1 Angle Grinders includes essential components to ensure optimal performance and longevity. This assembly is crucial for maintaining the grinder's efficiency, featuring parts such as gears, bearings, and switches. Designed for routine maintenance and repairs, it helps keep your angle grinder in top working condition.
Reviews
Add a review
Write Your Own Review
Ask a Question
Customer Questions

