Description
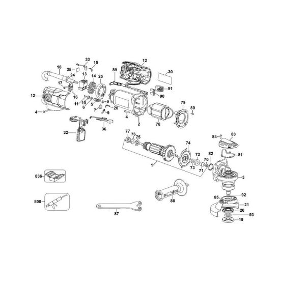
The Main Assembly for DeWalt D28117 Type 2 Angle Grinders includes essential components to ensure optimal performance and longevity. This assembly is crucial for maintaining the grinder's efficiency, featuring parts like gears, bearings, and housings. Genuine DeWalt parts guarantee compatibility and reliability, supporting both routine maintenance and repairs.
Reviews
Add a review
Write Your Own Review
Ask a Question
Customer Questions

