Description
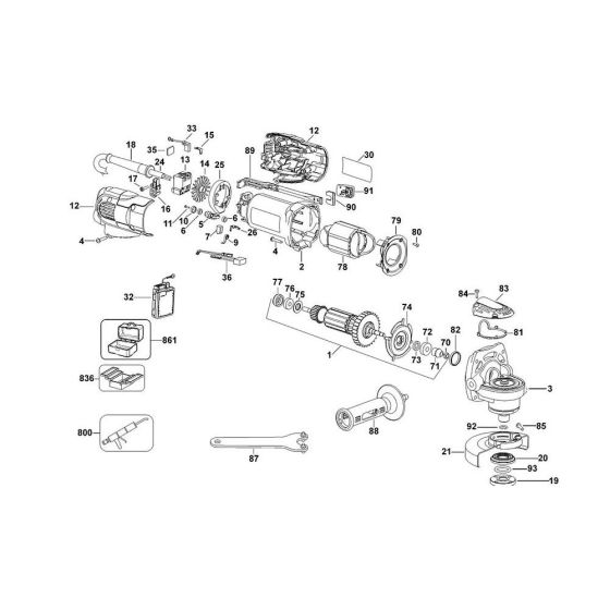
The Main Assembly for DeWalt D28133 Type 1 Angle Grinders includes critical components to ensure optimal performance and longevity. Designed for precise cutting and grinding tasks, this assembly features genuine DeWalt parts. Typical components may include gears, bearings, and housings, all crafted to maintain the tool's efficiency and reliability.
Reviews
Add a review
Write Your Own Review
Ask a Question
Customer Questions

