Description
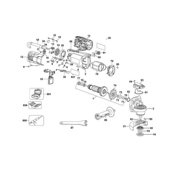
The Main Assembly for DeWalt D28136 Type 1 Angle Grinders includes essential components to ensure optimal performance and durability. This assembly is crucial for maintaining the grinder's efficiency and includes parts such as gears, bearings, and housings. Designed for routine maintenance and repair, these genuine DeWalt parts help extend the lifespan of your angle grinder.
Reviews
Add a review
Write Your Own Review
Ask a Question
Customer Questions

