Description
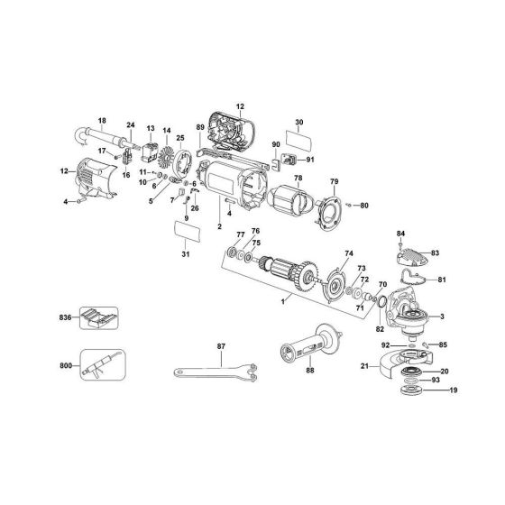
The Main Assembly for DeWalt D28141 Type 1 Angle Grinders includes key components essential for optimal performance and longevity. This assembly ensures the grinder operates smoothly, reducing wear and tear. Components may include gears, bearings, and housings, all designed to fit seamlessly with the DeWalt D28141 model.
Reviews
Add a review
Write Your Own Review
Ask a Question
Customer Questions

