Description
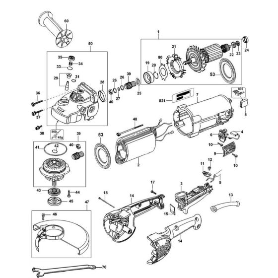
The Main Assembly for DeWalt D28401 Type 2 Angle Grinders includes essential components to ensure optimal performance and durability. Designed for maintenance and repair, it features parts such as gears, bearings, and housings. These components work together to deliver reliable power and precision, making it suitable for various grinding and cutting tasks.
Reviews
Add a review
Write Your Own Review
Ask a Question
Customer Questions

