Description
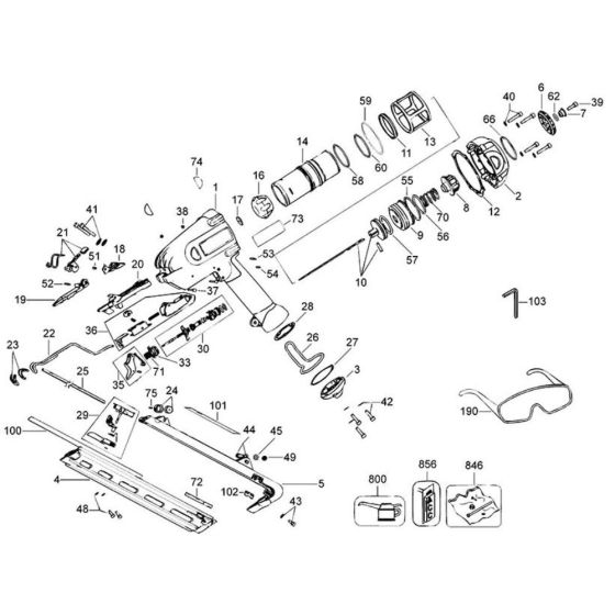
The Main Assembly for DeWalt D51275K Type 2 Nailers includes essential components to ensure optimal performance and longevity. Designed for precision and reliability, this assembly helps maintain the nailer's functionality by providing genuine DeWalt parts. Key components may include pistons, seals, and springs, vital for efficient operation.
Reviews
Add a review
Write Your Own Review
Ask a Question
Customer Questions

