Description
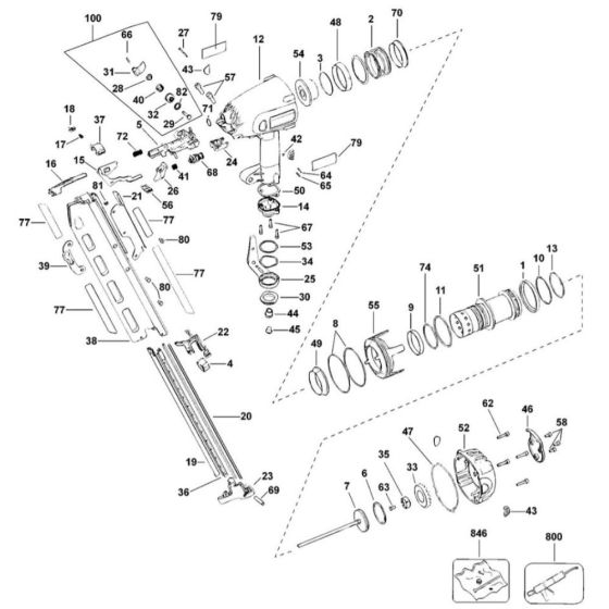
The Main Assembly for DeWalt D51845 Type 2 Nailers includes essential components to ensure optimal performance and longevity of your nailer. This assembly is crucial for maintaining the tool's functionality, featuring parts like springs, levers, and seals. Designed for precise and efficient nailing tasks, it supports both routine maintenance and necessary repairs.
Reviews
Add a review
Write Your Own Review
Ask a Question
Customer Questions

