Description
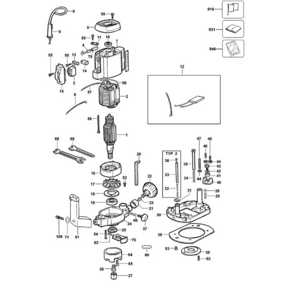
The Main Assembly for the DeWalt D614-04 Type 1 Router includes essential components to ensure optimal performance and longevity. This assembly is crucial for maintaining the router's functionality, providing stability and precision during operation. Components may include bases, handles, and adjustment knobs, all designed to fit seamlessly with the DeWalt D614-04 model.
Reviews
Add a review
Write Your Own Review
Ask a Question
Customer Questions

