Description
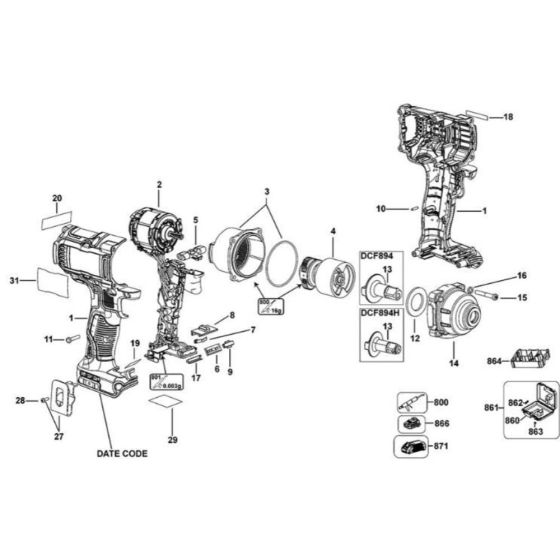
The Main Assembly for the DeWalt DCF894 Type 1 Impact Wrench includes essential components to ensure optimal performance and durability. This genuine DeWalt assembly is designed to support the tool's high-torque output and reliability. Typical components may include gears, housing, and fasteners, all contributing to the tool's efficient operation.
Reviews
Add a review
Write Your Own Review
Ask a Question
Customer Questions

