Description
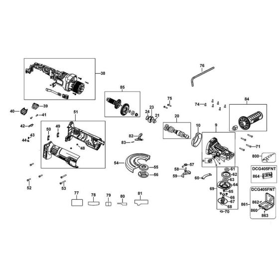
The Main Assembly for DeWalt DCG405F Type 1 Angle Grinders includes essential components to ensure optimal performance and longevity. This assembly is crucial for maintaining the grinder's efficiency and includes parts like gears, bearings, and housings. Designed for easy integration, these genuine DeWalt parts help in routine maintenance and repairs, ensuring the tool operates smoothly and reliably.
Reviews
Add a review
Write Your Own Review
Ask a Question
Customer Questions

