Description
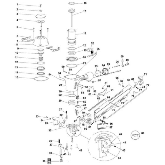
The Main Assembly for DeWalt DPN9033-1 Type 1 Nailers includes essential components to ensure optimal performance and longevity. Designed for precision and durability, this assembly features genuine DeWalt parts. It plays a crucial role in maintaining the nailer's functionality, with components such as springs, levers, and seals available for effective repairs and maintenance.
Reviews
Add a review
Write Your Own Review
Ask a Question
Customer Questions

