Description
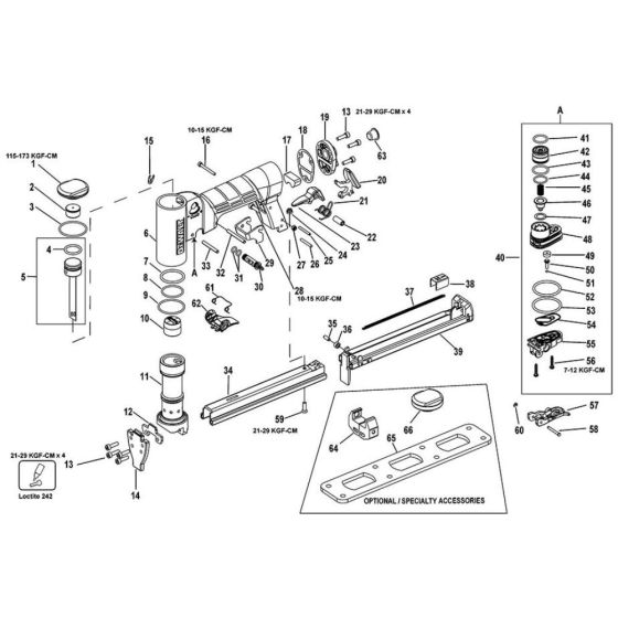
The Main Assembly for DeWalt DPS8016 Type 1 Nailers includes crucial components to ensure optimal performance and longevity. Designed for efficient nailing tasks, this assembly helps maintain the tool's functionality by incorporating genuine DeWalt parts. Typical components may include springs, levers, and seals, all contributing to the nailer's reliable operation.
Reviews
Add a review
Write Your Own Review
Ask a Question
Customer Questions

