Description
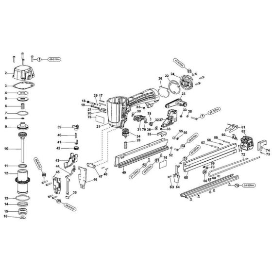
The Main Assembly for the DeWalt DPSSL540 Type 1 Stapler includes essential components to ensure optimal performance and longevity. This assembly is crucial for maintaining the stapler's functionality, providing reliable fastening solutions. Genuine DeWalt parts are used to guarantee compatibility and durability, supporting efficient operation in various applications.
Reviews
Add a review
Write Your Own Review
Ask a Question
Customer Questions

