Description
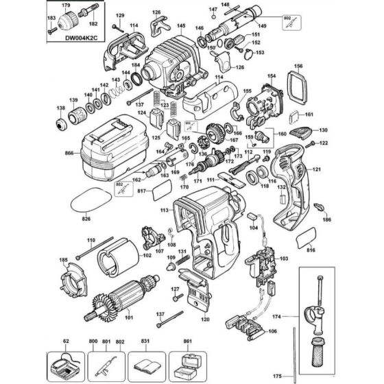
The Main Assembly for the DeWalt DW004K Type 3 Rotary Hammer includes essential components for maintaining and repairing this powerful tool. Designed to ensure optimal performance, the assembly features parts such as gears, bearings, and seals. These components work together to deliver efficient drilling and chiselling, making it suitable for various construction and renovation tasks.
Reviews
Add a review
Write Your Own Review
Ask a Question
Customer Questions

