Description
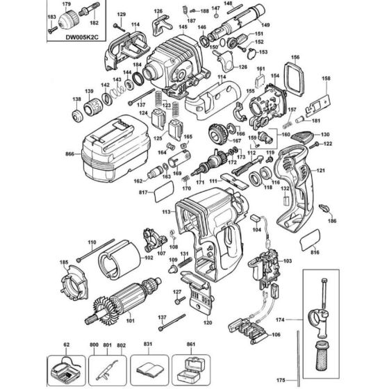
The Main Assembly for the DeWalt DW005K Type 1 Rotary Hammer includes essential components to ensure optimal performance and durability. This assembly is crucial for maintaining the tool's efficiency and includes parts like gears, bearings, and seals. Suitable for both genuine and non-genuine parts, it supports routine maintenance and repairs.
Reviews
Add a review
Write Your Own Review
Ask a Question
Customer Questions

