Description
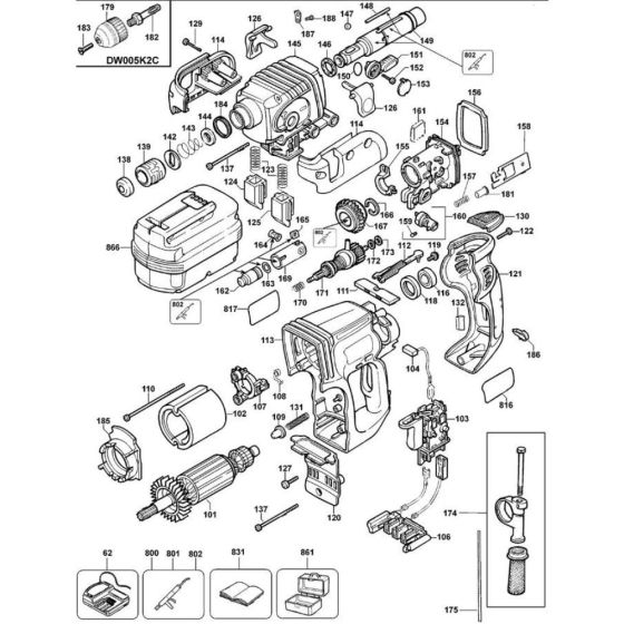
The Main Assembly for the DeWalt DW005K Type 3 Rotary Hammer includes key components essential for the tool's operation and maintenance. Designed to ensure optimal performance, this assembly helps in reducing wear and tear by providing reliable parts. Options include genuine and non-genuine parts to suit various repair needs.
Reviews
Add a review
Write Your Own Review
Ask a Question
Customer Questions

