Description
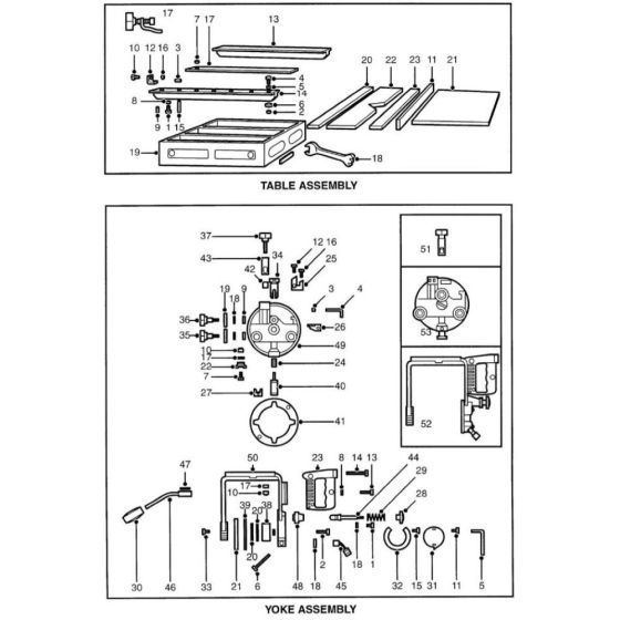
The Main Assembly for the DeWalt DW125 Radial Arm Saw is a genuine DeWalt part designed to ensure optimal performance and longevity. This assembly includes key components that facilitate precise cutting and reliable operation. Essential parts such as bearings, levers, and mounts are included to maintain the saw's functionality and accuracy.
Reviews
Add a review
Write Your Own Review
Ask a Question
Customer Questions

