Description
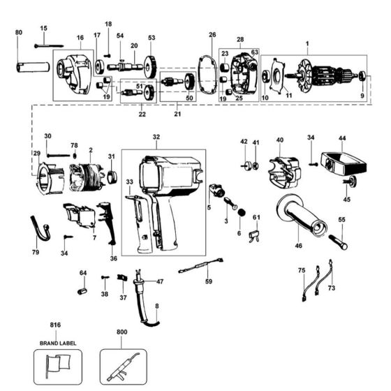
The Main Assembly for the DeWalt DW134 Type 1 Mixer includes essential components to ensure optimal performance and longevity. This genuine DeWalt part is designed for effective mixing operations, providing reliable service in construction and DIY projects. Components such as gears, shafts, and seals are included to maintain the mixer's functionality and efficiency.
Reviews
Add a review
Write Your Own Review
Ask a Question
Customer Questions

